新闻中心

NEWS CENTER

清华大学:太阳能储热技术研究与示范项目总结

  在国家太阳能光热产业技术创新战略联盟的组织申请下,“十二五”国家科技支撑计划“太阳能储热技术研究与示范”项目于2014年获得科技部立项,2018年8月顺利通过了科技部高新司的验收。该项目对储热材料制备关键技术进行了研究,研制了混凝土和改性黄土两种低温显热储热材料,制备了混凝土、混合硝酸熔盐和混合碳酸熔盐3种高温储热材料;研制了低成本聚焦式太阳能集热器以及槽式太阳能真空集热管;建成500kWh高温熔盐储热系统,形成50MWh高温熔盐储热系统设计文件;建成供暖面积1600m2的聚焦型太阳能多能互补水蓄热供暖示范工程;完成供暖面积5000m2太阳能低温和水箱蓄热供暖示范工程设计和主体建设;建成15万m2供暖面积太阳能与工业余热联合运行的长周期储热建筑采暖示范工程,地下土壤蓄热体积超过51万m3,设计土壤储热温度50℃,年储热量2万GJ,地下蓄热体的储热效率达83.9%。近期,国家太阳能光热产业技术创新战略联盟邀请项目首席科学家——清华大学建筑学院杨旭东教授对该项目进行了总结,特整理本文,以供参考。

  一、项目背景

  1、太阳能储热的重要意义

  储热就是解决太阳能热利用系统产热与用热不匹配问题。

  1)低温短期储热:解决分布式建筑采暖关键问题;

  2)低温跨季节储热:提高太阳能系统全年利用率,实现夏热冬用;

  3)中高温储热:太阳能工业应用及太阳能热发电的关键。

  更为重要的是其产业化前景——规模优势带来成本优势,太阳能建筑采暖潜在需求量达到10亿m2集热面积,是全国太阳能热水器保有量的6倍。

  2、太阳能热利用的核心

  太阳能储热可分为:低温集热、中温集热和高温集热。

  但因为太阳能的特点是周期性波动和不稳定性,集热效率高、总集热量大并不等同于集热量与末端需求相匹配。所以,集热是太阳能转化的核心,储热是太阳能利用的核心。

  因此,研发经济、稳定、高效的储热材料和系统,是太阳能规模化光热利用和推广的关键。

  二、总体任务

  开展低温段、中高温段储热材料及储热系统研究,并进行规模化应用示范,突破太阳能热利用行业的发展瓶颈,促进太阳能光热规模化、可持续发展。

  1、任务分工

  本项目由3个课题组成,分别如下:

  2、各课题参与单位

  本项目三个课题共有参与单位15家,其中高校6所,研究机构4所,企业5家。分别是:

  高校:清华大学、天津大学、兰州理工大学、中山大学、北京工业大学和广东工业大学。

研究机构:甘肃省建材科研设计院、中国科学院电工研究所、中国建筑科学研究院和杭州国电能源环境设计研究院。

  企业:赤峰富龙热力股份有限公司、赤峰和然节能科技股份有限公司、皇明太阳能股份有限公司、北京启迪清洁能源科技有限公司和内蒙古圣和新能源科技股份有限公司。

  三、研究内容

  开展低温段、中高温段储热材料及储热系统研究,并进行规模化应用示范。

  四、研究成果及创新性

 

  1、 新产品、新材料研发

  (1)高性能储热材料研发

  项目共研制了5种(4类)高性能储热材料:

图:耐高温混凝土储热材料测试

  混凝土储热材料在450℃的工作温度条件下,密度为2.8134g/cm3,比热容为1.123kJ/(kg·K),其容积比热为3.16MJ/( m3·K),满足高温固体储热的性能要求(2.6)。

  (2)增透膜技术研发

  其中,增透膜的作用:减少真空集热管表面的反射损失,提高集热效率。

  经第三方测试,罩玻璃管透过率达到0.96,在85℃,85%相对湿度条件下持续500h;4N的重量下500次摩擦;在25℃的1mol/L浓度的硫酸水溶液里浸泡24h;暴露在室外,总辐照量达到216MJ/m2后,增透膜衰减量均为0%。

  (3)新型高温聚光式集热器集热管

图:槽式太阳能聚光系统-高温集热管

图:4060mm集热管结构

  2、 关键技术研究——地埋管跨季节储热关键技术

  (1)地埋管跨季节储热

  以土壤作为储热介质,以地埋管换热器作为换热设备,将非采暖季的富余热量交换至地下进行跨季节存储,并在采暖季提取用于供热的技术。

  地埋管储热技术的优势:

  1)较高的经济性:远低于以水为储热介质的储热技术(如水箱储热和水池储热);

  2)较低的地质条件要求:相较于地下含水层储热;

  3)维护保养成本低:运行稳定,维护保养需求低; 

  4)使用寿命长:可达50年; 

  5)模块化设计:后续可以根据热力站的规模来调整,增加地埋管。

  小结:

  1)目前地埋管储热体设计方式:

  钻孔数量:几十口~几百口;

  钻孔间距:1.5m~6m;

  钻孔深度:10m~150m;

  排布方式:矩形排布、六边形排布、圆形排布;

  换热器类型:单U型换热器、双U型换热器、套管换热器;

  水平管连接方式:全并联、多孔串联。

  综上所述得出结论,没有统一的设计范式,设计评价指标不明确。

  2)储热规模:大多数在数千-数万m3规模,尚未突破数10万m3

  3)系统集成:国外跨季节储热商业案例信息不明,部分系统甚至存在设计及运行缺陷,对系统设计及运行的关键问题缺乏研究及透明数据。

  4)现有跨季节储热项目案例绝大多数以太阳能为热源,缺少工业余热跨季节储热或工业余热与太阳能相整合的项目案例,以及相应的系统参数匹配设计方法;

  5)缺少基于跨季节储、取热过程热量品位损失的跨季节储热装置设计优化评价指标。

  (2)基于火积分析理论的跨季节储热理论

 

  (3)基于火积分析理论的跨季节储热理论

  基于火积分析法,对地埋管跨季节储热/取热过程中的各项损失进行拆分和描述,提出了评价储热系统能效及品位特性的定量指标,并以此为优化目标给出了地埋管跨季节储热装置的优化原则和方法。

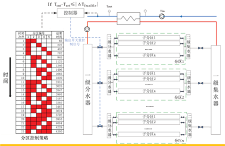
  (4)改善跨季节储热系统长周期动态特性的方法——地埋管分区控制策略

  提出了地埋管分区控制的控制策略——通过将地埋管储热体划分为若干区域,以储热系统出水温度为控制对象,通过改变任一时刻储热体调用储热体的分区及分区组合,实现将储热体出水温度控制在一定范围内的目标,从而实现地埋管储热体与热源之间长周期动态特性的匹配。

  3、系统集成与示范

  (1)1600m2级多能互补供暖示范项目

图:天津大学滨海工业研究院1600m2级多能互补供暖示范项目

  这是对16组工况(16个典型日)的系统太阳能保证率及能效进行测试,然后根据各工况在统计年中的天数进行加权平均,获得短期测试方法下的系统太阳能保证率与能效。

图:系统能效:3.0±0.14;太阳能保证率:47.8% ±1.58%

  (2)工业余热与太阳能跨季节储热用于城市集中供热示范工程

图:示范工程概况

  1)系统流程

  在工业余热基础上,配置部分太阳能集热器,通过分析系统内不同热源的品位和供给特性,以提高系统供热品位为目的,优化系统的取放热流程,实现北方严寒城市集热、储热、供热系统一体的优化设计与实际运行。

  2)地埋储热系统优化

  将地埋管储热体划分为若干区域,以储热系统出水温度为控制对象,通过改变任一时刻储热体调用储热体的分区及分区组合,实现储热储热与取热流程热效率与火积效率双高目标。

  3) 系统施工

  4) 系统测试

  4、跨季节储热示范工程系统长周期测试(储热期)

  预热期的末期曾短暂关闭过A、E、F三个分区以提高B、C、D三个分区的流量,因此,B、C、D三个区温度达到约40℃,略高于其他三个分区(35℃左右)。

 

  5) 储热期测试结果

  6) 取热测试结果

  系统储热期平均储热输配系数:WTFST = 41.9 (每储存41.9kWh热量,消耗1kWh电量);

  系统取热期平均取热输配系数:WTFex = 14.4 (每储存14.4kWh热量,消耗1kWh电量)。

  7) 经济性分析

  8)指标完成情况

  五、示范工程

  项目建立了多个太阳能储热采暖示范工程,为太阳能储热技术研究提供了示范平台和实验基地。其中,课题3建成了最大规模的太阳能+工业余热地下土壤储热示范工程,储热体积达到50万m3

  六、项目取得的其他成果

  1、产学研机制探索

  为了实现高校与企业之间的信息、人才、资源共享。在课题执行过程中,清华大学和内蒙古富龙热力股份有限公司合作成立了内蒙古自治区供热工程技术研究中心,在全国推广与供热和储热相关的技术。

  2、人才培养与国际合作

  以跨季节储热示范工程为基地的国际合作与人才培养有:

  与法电、荷兰埃因霍温技术大学合作进行相关研究与国际合作。

  富龙集团与赤峰学院合作,在赤峰学院联合招收和培养全国首个供热、供燃气专业本科实验班。已有三届总计89名学生在跨季节储热示范工程现场接受了实验课教学。

  七、总结

  本项目的研究范围涵盖太阳能集热技术、低中高温储热材料、地下土壤为储热介质的大规模低成本跨季节储热技术及换热过程优化技术、非电力驱动的土壤高效取热技术、太阳能与工业余热及热泵的多能互补系统集成技术等。覆盖了太阳能光热从低温到高温应用的一系列关键问题。

  建立了一批不同规模的太阳能及储热示范工程,建设并成功运行首个大型太阳能集热与工业余热相结合的50万m3跨季节储热集中供热工程,首次将热源塔热泵技术运用于北方寒冷地区进行冬季供热示范,为太阳能储热技术研究提供了示范平台和实验基地。

  项目的实施,有利于突破太阳能光热规模化应用的理论与技术瓶颈,实现太阳能集热、储热、补热、供热各环节的匹配及协调发展。